10+ Shoulder Parts Diagram


Table Saw Assembly For Bosch Gts 10 Xc Diagram 3 L S Engineers


Amazon Com Gaginan White Tiger Warrior Turn Into Robot Toy Sagacious Animal Robot Action Figure 10 Inch Grey Deformation Robot Figures Disassembly Toys For Boys Girls Age 6 Grey Black Toys Games


Shoulder Wikipedia


Shoulder Joint Human Body Anatomy Infographic Stock Vector Royalty Free 699043855 Shutterstock


Shoulder Parts Diagram Quizlet


Ecfr 27 Cfr Part 478 Subpart B Definitions


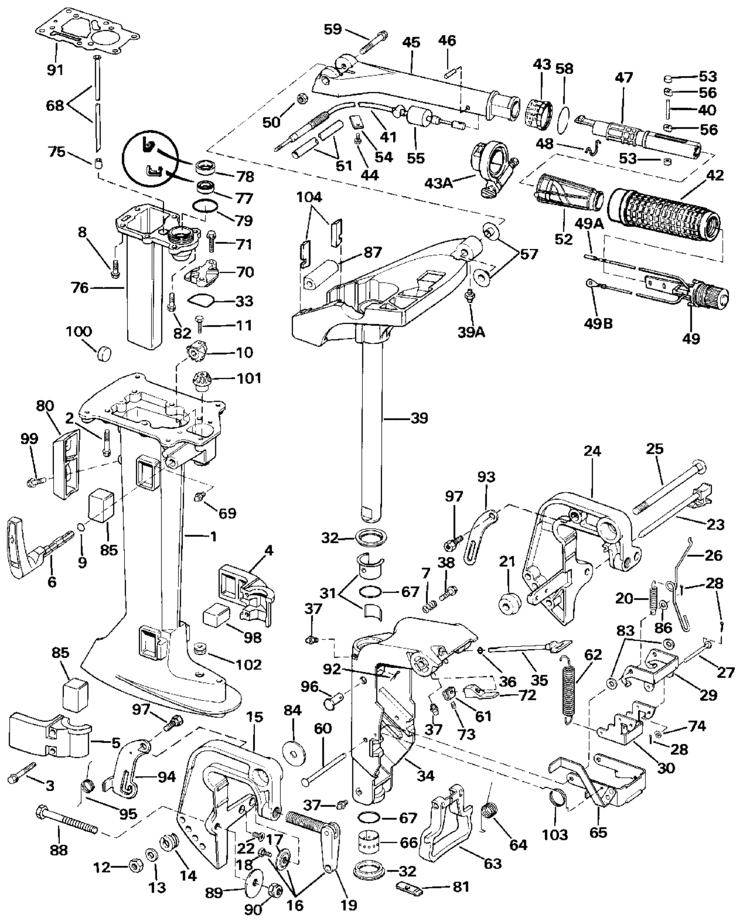
Johnson Midsection Parts For 1986 8hp J8rcde Outboard Motor


Replacement Part Combination Booster Complete Headrest With Cover Kidsembrace


How The Shoulder Works Utah Dr Skedros Orthopaedics


Shoulder Anatomy Ultimate Guide To Parts Names Functions Diagram In 2023 Shoulder Anatomy Function Diagram Anatomy


Johnson Exhaust Housing Parts For 1979 150hp 150tl79c Outboard Motor


Common Injuries Of The Shoulder


Table Saw Assembly For Bosch Gts 10 J Diagram 2 L S Engineers


Anatomy 101 The Shoulders Yogaru


An Introduction To Shoulder Pain Physio Pilates Central


American Express


Parts Of The Body A4 Head And Shoulders Arabic Translation Arabic


Anatomy Shoulder Joint Labeled Stock Illustrations 76 Anatomy Shoulder Joint Labeled Stock Illustrations Vectors Clipart Dreamstime

Iklan Atas Artikel

Iklan Tengah Artikel 1

Iklan Tengah Artikel 2

Iklan Bawah Artikel